marketing@snmash.ru
Задать вопрос
8-800-3021-565
заказать обратный звонок
+7 (8412) 45-06-86
+7 (499) 399-36-86
+7 (843) 245-16-86
время работы:
8.00 - 17.00
Арсеньев
/
Вы планируете заказать производство резервуарного оборудования, емкостных аппаратов или трубопроводной арматуры? - тогда материалы из данного раздела будут полезны Вам при поиске ответов на некоторые вопросы.

Что такое теплообменник, зачем он нужен

Что такое теплообменник, зачем он нужен

Назначение теплообменного оборудования — перенос теплоты от горячего теплоносителя к холодному (нагреваемому). Согласно принципу работы, функция устройства в технологических операциях — утилизация тепловой энергии для улучшения энергоэффективности системы и обеспечение оптимального режима для физико-химических процессов.

Подробнее...

Опубликовано: 23 Сентябрь 2025

Изделия из металла, которые пользуются спросом

Изделия из металла, которые пользуются спросом

Стальные элементы играют ключевую роль в создании надежных, долговечных и экономичных сооружений, обеспечивая устойчивость и функциональность объектов в различных секторах индустрии.

Подробнее...

Опубликовано: 06 Автуст 2025

Отстойники воды, их применение и принципы работы

Отстойники воды, их применение и принципы работы

Один из ключевых компонентов систем очистки — седиментационный резервуар, он же отстойник для воды сточных комплексов. Его основная функция — гравитационное седиментирование взвешенных веществ. Устройства применяются на очистных сооружениях, в промышленных и коммунальных установках водоподготовки для первичной или финальной стадии водоочистки.

Подробнее...

Опубликовано: 10 Июль 2025

Защита резервуаров от статического электричества

Защита резервуаров от статического электричества

Процессы складирования и транзита нефтепродуктов сопряжены с риском накопления статического электричества, способного привести к искрообразованию, воспламенению паровоздушных смесей и катастрофическим взрывам. При высокой пожарной опасности следует строго соблюдать принцип защиты резервуаров от электростатики, обустраивать контуры заземления, контролировать технологические параметры и использовать специализированные нейтрализующие комплексы.

Подробнее...

Опубликовано: 05 Июнь 2025

Техническое обслуживание арматуры

Техническое обслуживание арматуры

Трубопроводная арматура, ввиду ее эксплуатационного применения в широком спектре отраслевых задач, включая управление жидкими средами, процедуры отбора проб, дренажные операции и прочие функции, требует системного подхода к организации мероприятий по ее техобслуживанию (ТО).

Подробнее...

Опубликовано: 08 Май 2025

Применение теплообменников в химической, нефтехимической и пищевой промышленности

Применение теплообменников в химической, нефтехимической и пищевой промышленности

Теплообменное оборудование (ТО) занимает центральное место в операционных процессах нефтехимической промышленности и пищевой отрасли. Эффективность обмена теплотой напрямую влияет на энергопотребление, себестоимость продукции, безопасность производства и свойства конечного продукта. Промышленные предприятия предъявляют высокие требования к эксплуатационным характеристикам теплообменного оборудования.

Подробнее...

Опубликовано: 02 Апрель 2025

Запорная арматура: принцип действия и конструктивные особенности

Запорная арматура: принцип действия и конструктивные особенности

Запорная арматура — это компонент инженерных сетей, служащий для управления параметрами потока рабочей среды. Принцип действия запорной арматуры заключается в уменьшении/увеличении просвета трубы с целью регулирования, распределения, полной остановки, смешивания транспортируемых субстанций.

Подробнее...

Опубликовано: 25 Февраль 2025

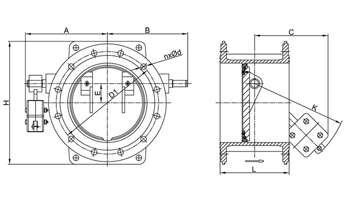
Сравнение двухэксцентрикового и трехэксцентрикового поворотного затвора: ключевые аспекты выбора

Отличительные характеристики двухэксцентрикового и трехэксцентрикового поворотного затвора

Поворотные затворы — компактная и надежная трубопроводная арматура, где запорным элементом служит диск, вращающийся вокруг штока, перпендикулярного потоку. Ее главные преимущества — простота монтажа, минимальные требования к сервисному обслуживанию и совместимость с разными типами приводов. Среди современных модификаций выделяют модели двух- и трехэксцентриковые, ставшие отличной альтернативой задвижкам. Устройства с эксцентриситетом максимально герметичны, компактны и надежны в экстремальных условиях.

Подробнее...

Опубликовано: 30 Январь 2025

Аналоги, но не копии: что нужно знать о разнице между марками стали 12Х18Н10Т и AISI 321

Что нужно знать о разнице между марками стали 12Х18Н10Т и AISI 321?

Если существуют сомнения, можно ли заменить произведенную в других странах нержавеющую сталь марками российских сталеплавильных заводов, нужно разобраться в характеристиках стали 12Х18Н10Т и AISI 321, в чем разница между произведенной в Соединенных Штатах AISI 321 и сталью 12Х18Н10Т, которая выступает в роли российского аналога. Оба сплава относят к жаропрочным. В химическом составе присутствует титан, который противостоит выделению карбида хрома по границам зерен, вызывающего локальное коррозионное разрушение. В число отличий входят допуски по содержанию примесей, слегка изменяющих параметры металла.

Подробнее...

Опубликовано: 05 Ноябрь 2024

Охлаждение резервуаров

Практика охлаждения резервуаров

Чтобы обеспечить необходимый температурный режим во время хранения в резервуарах жидкостей и газов и их применения в промышленных технологических процессах, необходимо запустить в работу систему охлаждения резервуаров. Без нее не получится создать заданные для сохранения качества содержимого емкости и стабильности производственных операций условия.

Подробнее...

Опубликовано: 18 Март 2024

Фундаменты под резервуары

Фундаменты для резервуаров

Расчет проекта хранилищ, представляющих собой вертикальные и горизонтальные емкости, ведется с учетом обустройства фундамента под резервуар, а всю конструкцию вместе с основанием считают единым целым. Такой подход к технологии обустройства места хранения жидких и сыпучих веществ связан с особенностями климатических и гидрогеологических условий местности и весом помещенного в резервуар содержимого. Под действием зимнего пучения почвы, при сильных ветрах или снеговых нагрузках, к которым добавляется давление загруженного хранилища, начинается усадка грунта, что напрямую влияет на целостность всего инженерного сооружения.

Подробнее...

Опубликовано: 13 Март 2024

Чугунные трубы систем водоотведения

Системы водоотведения

Чугунные трубы — это широко используемая трубная продукция, изготавливаемая методом литья во вращающуюся или стационарную песчаную форму. Сырьем для производства выступает серый чугун — железный сплав с высоким содержанием углерода (от 2,14%).

Подробнее...

Опубликовано: 05 Март 2024

Датчик уровня жидкости в резервуаре

Датчик уровня жидкости

В промышленности автоматическое управление технологическими процессами зависит от сигналов, поступающих с приборов, которыми оснащено оборудование. Один из таких сигнализаторов — уровнемер, устанавливаемый в резервуар и контролирующий заполнение емкости содержимым. В быту тоже необходимы датчики уровня жидкости: поплавок в бачке унитаза или в накопительном баке для воды автономной водопроводной системы. Когда бак заполняется или опорожняется, с измерительного аппарата поступает сигнал на выключение или включение насосного оборудования. Существуют разные виды приборов для измерения уровня жидкости в резервуаре, отличающиеся по конструкции и принципу действия.

Подробнее...

Опубликовано: 29 Февраль 2024

Классы герметичности задвижек

Классы герметичности задвижек: что это?

По допустимому объему утечке рабочей среды через находящийся в закрытом положении запорный элемент трубопроводной арматуры определяют ее класс герметичности. Показатель присваивается согласно назначению устройства и характеристик циркулирующих по трубопроводу жидкостей и газов.

Подробнее...

Опубликовано: 21 Февраль 2024

Обслуживание резервуаров

Обслуживание резервуаров: как происходит?

Надежность и стабильность работы резервуарного оборудования напрямую зависит от регулярности проведения технического обслуживания. В перечень мероприятий по ТО входит визуальный осмотр, проверка арматуры, дефектоскопия сварных швов и многие другие действия: контрольное исследование размеров емкости, кровельных листов, стенок и днищ.

Подробнее...

Опубликовано: 14 Февраль 2024

Резервуары под давлением

Какие есть виды управления задвижками?

Резервуарами под давлением называют закрытые сварные емкости из стали, способные выдерживать избыточное давление находящегося в них содержимого. Их используют в самых разных сферах: в атомной энергетике, для нужд нефтеперерабатывающей промышленности, в сельском хозяйстве и в быту. Перечислить все способы применения таких резервуаров невероятно сложно: это ядерные реакторы, баллоны для СУГ, ресиверы, котлы системы отопления, автоклавы, баллончики с лакокрасочной продукцией и многое другое.

Подробнее...

Опубликовано: 11 Февраль 2024

Виды управления задвижками

Какие есть виды управления задвижками?

Задвижки устанавливают в трубопроводных системах для транспортировки жидкостей и газов, чтобы обеспечить возможность при необходимости быстро перекрыть поток рабочей среды. За функцию отвечает размещенный внутри корпуса затвор, к управлению которым предъявляются особые требования, направленные на эффективность функций запорной арматуры и безопасность ее эксплуатации.

Подробнее...

Опубликовано: 08 Февраль 2024

Испытания задвижек

Задвижки: как их испытывают?

Контроль качества требует проведения на завершающем этапе сборки испытаний трубопроводной арматуры, предполагающих проверку прочности и герметичности изделия. Без получения заключения об успешных тестах невозможно провести сертификацию продукции и гарантировать ее качество.

Подробнее...

Опубликовано: 05 Февраль 2024

Сварка резервуаров

Сварка резервуаров

Один из способов соединения комплектующих при сборке резервуаров — сварка. Эту технологию считают одной из самых надежных: емкости получаются прочными, обеспечивается безопасность их эксплуатации. Сварные резервуары востребованы в разных индустриальных областях: на нефтедобывающих предприятиях, заводах по переработке углеводородах, в компаниях энергетического сектора, на химкомбинатах и в других сферах промышленности. Указанные потребители предъявляют к емкостям особые требования по стандартам качества, надежности, длительности срока службы и безопасности.

Подробнее...

Опубликовано: 02 Февраль 2024

Сталь D2: сфера применения и параметры

Сталь D2

Инструментальная сталь D2 — это сплав железа и углерода, которому в процессе выплавки придали специфические свойства. В ее составе повышенное содержание углерода и присутствует хром, поэтому сплав относится к типу углеродистых и высокохромистых металлов. Заготовки из него подлежат холодной обработке с закалкой на воздухе. При термическом воздействии сплав получает показатель твердости в пределах 60–62 HRC. Образующийся в составе сплава при выплавке прочный карбид железа и других металлов, увеличивает абразивную стойкость и сопротивление износу.

Подробнее...

Опубликовано: 28 Январь 2024

Что такое минигазгольдеры и в каких случаях лучше купить именно их

Минигазгольдеры: что это?

При обустройстве автономной системы газоснабжения дома следует обеспечить место хранения газа. В качестве хранилища предлагается использовать минигазгольдер для СУГ — компактный и функциональный резервуар для безопасной эксплуатации газообразного топлива. Кроме автономности газовой установки, владелец дома получает энергонезависимость от централизованных сетей и экономит на оплате энергии. На рынке резервуарного оборудования можно найти емкости разного объема: от 500 до 1 000 литров.

Подробнее...

Опубликовано: 24 Январь 2024

Сборка и ремонт кожухотрубчатых теплообменников

Кожухотрубчатые теплообменники: конструкция

Кожухотрубчатые теплообменники — разновидность теплообменных аппаратов, в которых одна из жидкостей циркулирует по помещенной в кожух трубе, а вторая — в пространстве между кожухом и внешней поверхностью трубы. Во время противотока двух жидкостей между ними происходит тепловой обмен — горячая среда остывает, а холодная нагревается.

Подробнее...

Опубликовано: 20 Январь 2024

Производство сильфонов

Изготовление сильфонов

Чтобы максимально снизить риск утечки рабочей среды из трубопровода, следует обеспечить герметичность его компонентов. Одно из приспособлений, предотвращающих выброс транспортируемого по магистрали содержимого, — гофрированный металлический сильфон. Это надежное уплотнение, прочное и упругое, способное скручиваться, сдвигаться, сжиматься и растягиваться.

Подробнее...

Опубликовано: 16 Январь 2024

Медленные фильтры

Медленные фильтры: где применяются?

Высокую эффективность очистки воды от вредных примесей и бактерий показывают медленные фильтры, функции которых базируются на технологии пленочной фильтрации. Сначала создается пленка, состоящая из первично отсеянных взвесей и полезных бактерий, задержанных песчаной загрузкой. Сквозь нее свободно проходит вода, но не проникают находящиеся в ее толще мельчайшие фракции.

Подробнее...

Опубликовано: 12 Январь 2024

Отсечной клапан: назначение, конструкция, принцип работ

Отсечной клапан

Среди устройств, относящихся к категории защитной трубопроводной арматуры, присутствуют отсечной клапан, по функциям и конструкции похожий на предохранительный. Оба они способны предотвратить поломку трубопроводов и оборудования, возникающую из-за сбоев в работе вследствие несоблюдения режима эксплуатации. Различаются эти два узла защитными механизмами: отсечной клапан перекрывает поток среды, а предохранительный открывает новый канал для сброса излишков содержимого.

Подробнее...

Опубликовано: 03 Январь 2024

Сальниковый компенсатор: особенности

Компенсатор для трубопровода — приспособление, способное за счет своей конструкции погасить вибрации, сдвиги, расширение и прочие деформации компонентов трубопроводной системы. Компенсаторные устройства встраиваются в магистраль и принимают на себя нагрузки, возникающие при колебаниях температуры и/или изменении давления, и предотвращают разрушение деталей трубопровода, обеспечивая герметичность сети.

Подробнее...

Опубликовано: 13 Декабрь 2023

Сталь Ст3 характеристики и виды

Сталь — это сплав, в составе которого в количестве 45% и более присутствует железо, 0,02–2,14% — углерод, остальные включения представляют собой химические элементы, используемые как легирующие добавки. В зависимости от их концентрации сплаву придают те или иные свойства.

Подробнее...

Опубликовано: 11 Декабрь 2023

Регулирующие клапаны для воды

Работа трубопроводной системы связана с управлением потоками циркулирующей по трубам рабочей среды. Чтобы регулировать расход и напор жидкости, существует специальная трубопроводная арматура — запорно-регулирующие клапаны. Они позволяют изменять проходное сечение трубы, изменять направление, смешивать и разделять потоки и дают возможность полностью перекрыть трубопровод.

Подробнее...

Опубликовано: 07 Декабрь 2023

Производство и приемка работ по изоляции резервуаров СУГ

Организовать безопасное хранение сжиженного углеводородного газа (СУГ) рекомендуется с помощью специально предназначенных для этого емкостей — резервуаров СУГ. Такие хранилища размещают на предприятиях, занимающихся нефтепереработкой, химических заводах и в местах, предназначенных для наполнения сжиженным газом баллонов, — на базах и станциях.

Подробнее...

Опубликовано: 01 Декабрь 2023

Проектирование кожухотрубного теплообменника

Кожухотрубные теплообменники — это теплообменные аппараты, в которых процесс теплового обмена между двумя средами проходит через поверхность трубок, заключенных в оболочке (кожухе). Один теплоноситель циркулирует в трубках, другой — в кожухе. У такой конструкции есть преимущество: если требуется агрегат с нестандартными параметрами и габаритами, есть возможность выполнить индивидуальный расчет и проектирование теплообменников по желанию заказчика.

Подробнее...

Опубликовано: 18 Ноябрь 2023

Монтаж подземных газопроводов

Несмотря на то что газопроводная сеть низкого давления не относится к опасным промышленным объектам, необходимо соблюдать правила безопасности пользования газом. На начальном этапе обустройства системы газоснабжения самым ответственным мероприятием считают монтаж газопровода. Монтажные работы относятся к технически сложным — их по строго регламентированным нормативам должны выполнять мастера, обладающие соответствующими квалификационными знаниями и опытом.

Подробнее...

Опубликовано: 08 Ноябрь 2023

Огнепреградители на резервуарах

Для предотвращения возгорания емкостей для хранения нефтепродуктов и газопроводов на них устанавливают особые предохранители — огнепреградители. Такие приспособления исключают попадание внутрь хранилищ и труб пламени или отдельных искр.

Подробнее...

Опубликовано: 02 Ноябрь 2023

Газовая арматура и оборудование

Газопровод — это инженерная система, предназначенная для передачи на расстояние сжиженного углеводородного (СУГ) и природного газа. Состоит из трубопровода, запорно-регулирующих узлов, контрольно-сигнальных устройств и прочего газового оборудования, необходимого для обеспечения безопасной и стабильной эксплуатации сетей газоснабжения. Эти узлы и механизмы отличаются по конструкции, назначению, типам и материалам изготовления.

Подробнее...

Опубликовано: 26 Октябрь 2023

Монтаж сильфонных компенсаторов

Сильфонный компенсатор — это монтажный элемент, который устанавливают в трубопроводы с целью поглощения их деформаций и колебаний вследствие температурного или иного воздействия. Устройство состоит из сильфона, присоединительных комплектующих и ограничительной арматуры. Узел не оказывает негативного влияния на пропускную способность магистрали и не препятствует прохождению жидкостей, пара и газов под давлением и без.

Подробнее...

Опубликовано: 17 Октябрь 2023

Арматура трубопроводной сети

Узлы, механизмы и разные компоненты, применяемые в трубопроводных системах с целью регулировки силы и направления течения рабочей среды, объединяются термином «трубопроводная арматура». В числе устройств наиболее часто встречаются соединительные детали (фланцы и фитинги), запорно-регулирующие клапаны, поворотные затворы и прочие. Установленные в системе трубопроводов, они выполняют следующие функции:

Подробнее...

Опубликовано: 07 Октябрь 2023

Расчет мощности теплообменника

В зависимости от конструктивных особенностей, теплообменные устройства систем отопления и вентиляции обеспечивают разные тепловые потоки и рабочую производительность. При проектировании необходимо оптимально определить такие параметры, как форма, размеры и, главное, площадь рабочей поверхности. Для этого выполняют расчет мощности теплообменника.

Подробнее...

Опубликовано: 02 Октябрь 2023

Отложения в теплообменниках

Теплообменное оборудование служит для обмена теплом между средами, протекающими по разным контурам. В качестве среды-теплоносителя выступают жидкости и газы. Среди особых требований к теплообменникам отмечают такие, как надежность в эксплуатации, соответствие современному техническому уровню и нормам безопасности. Устройство обязано быть производительным, экономичным, конструктивно простым, ремонтопригодным и компактным.

Подробнее...

Опубликовано: 22 Сентябрь 2023

Трехходовой клапан: принцип работы

В числе узлов и механизмов в составе оборудования с большим проходным диаметром, управляющего потоком находящейся под большим давлением среды, присутствует трехходовой клапан. Этот важный компонент трубопроводной системы состоит из следующих комплектующих: ручка для вращения запорно-регуирующего элемента и три порта, предназначенные для изменения направления течения среды. Допускается использовать трехходовой клапан для контроля потока жидкостей и газов.

Подробнее...

Опубликовано: 16 Сентябрь 2023

Нефтепроводы: назначение, категории

Нефтепровод — это трубопроводное инженерно-техническое сооружение, по которому транспортируют нефть с места ее добычи на нефтеперерабатывающие предприятия и затем потребителям.

Подробнее...

Опубликовано: 05 Сентябрь 2023

Подземные хранилища нефти и газа

Помимо созданных руками человека хранилищ для накопления нефти и газа, представляющих собой цистерны и резервуары, существуют и природные вместилища, представляющие собой подземные пустоты, образовавшиеся естественным путем или ставшие результатом человеческой деятельности. Емкости, расположенные под землей, помогают поместить на хранение огромные объемы нефтепродуктов.

Подробнее...

Опубликовано: 02 Сентябрь 2023

Шиберная задвижка: конструкция, преимущества, сфера применения

Трубопроводную арматуру, затвор которой представляет собой плоскую пластину (шибер), вращающуюся на перпендикулярной (иногда под углом) потоку рабочей среды оси, называют шиберной задвижкой. Schieber (шибер) в переводе с немецкого языка означает «заслонка», «задвижка», термин образован от другого немецкого слова — schieben («двигать», «толкать»).

Подробнее...

Опубликовано: 23 Автуст 2023

Очистка топлива и масла

В продуктах переработки нефти — дистиллятах — присутствуют примеси, отрицательно сказывающиеся на эксплуатационных характеристиках топлива и масел. Чтобы добиться товарного качества горюче-смазочных материалов, нужно удалить из них смолистые, сернистые и азотистые соединения, парафины и прочие вещества, оставшиеся после перегонки нефти. С целью снижения концентрации лишних компонентов до значений ПДК проводят очистку топлива и масел.

Подробнее...

Опубликовано: 14 Автуст 2023

Виды и свойства нержавеющей стали

Устойчивый к коррозии стальной сплав — материал, без которого не обходится практически ни одно современное промышленное производство. Предприятия разных отраслей применяют нержавеющую сталь для изготовления разнообразной продукции, востребованной в энергетике, коммунальном хозяйстве, пищевой индустрии, нефтепереработке и химической промышленности. Широкое применение нержавейки обусловлено ее способностью эффективно противостоять разрушению при воздействии агрессивных сред.

Подробнее...

Опубликовано: 02 Автуст 2023

Нефтегазовая арматура

Предприятия, занимающиеся добычей, транспортировкой и переработкой нефти и газа, при прокладке трубопроводных систем используют особую номенклатуру трубопроводной арматурынефтегазовую арматуру. Это оборудование необходимо, чтобы контролировать, регулировать, измерять поток углеводородов в скважинах и трубах с целью увеличения и экономичности работ, связанных с добычей, переработкой и перевозкой нефти, газа и продуктов, получаемых из этих полезных ископаемых.

Подробнее...

Опубликовано: 24 Июль 2023

Классификация и виды газгольдеров

Для обустройства автономной системы газоснабжения используются как подземные газгольдеры, так и размещаемые на поверхности большеобъемные резервуары, в которые закачивают сжиженный газ, чтобы постепенно расходовать его на всяческие нужды. Для регулировки и контроля главных показателей содержимого, емкости оснащают дополнительным оборудованием. Такой сложный многофункциональный инженерный газовый агрегат предназначен для эксплуатации в разнообразных областях.

Подробнее...

Опубликовано: 16 Июль 2023

Возникновение резервуаров для нефтепродуктов

В быту и промышленности повсеместно для хранения жидкостей используются резервуары. Без таких удобных и безопасных емкостей не обходится ни одно современное предприятие — вместительные хранилища нефтепродуктов превратились в неотделимый элемент любой индустриальной компании.

Подробнее...

Опубликовано: 07 Июль 2023

Изготовление ригелей: маркировка, сортамент, преимущества

Элемент строительного сооружения, представляющий собой короткую поперечную балку, опирающуюся на кладку, колонны или другие расположенные вертикально конструкции, называют ригелем. Такие горизонтальные опорные детали из железобетона или стального сплава, являясь связующим компонентом, увеличивают жесткость и обеспечивают стабильность и устойчивость каркаса возводимого здания,

Подробнее...

Опубликовано: 30 Июнь 2023

Принцип работы газгольдера

Для хранения сжиженного газа предназначена специальная герметичная емкость — газгольдер. Традиционно в такой резервуар помещают горючие газы (СУГ), используемые как топливо: пропан, метан, смесь пропана с бутаном. Чтобы воспользоваться газовым топливом, его необходимо перевести из жидкого состояния в газообразное. Процесс испарения происходит с образованием конденсата, поэтому емкость после установки заполняют максимум на 85%.

Подробнее...

Опубликовано: 21 Июнь 2023

Основные требования к запорной арматуре

В общем числе устройств и компонентов, применяемых в системах трубопроводов для контроля и регулировки потоков рабочей среды и объединенных термином «трубопроводная арматура», 4/5 механизмов относятся к видам запорной арматуры — это клапаны, задвижки, краны, затворы, вентили, заслонки и другие. Все эти устройства используются как для регулировки потока жидкости или газа, так и для полного перекрытия проходных каналов.

Подробнее...

Опубликовано: 16 Июнь 2023

Обечайка резервуаров

Обечайка резервуара — цилиндрическая деталь, одна из составных частей комплекса оборудования, предназначенного для хранения жидкости и газа. Этот конструктивный элемент имеет первостепенное значение в обеспечении безопасности при организации хранилищ для жидких и газообразных субстанций. В числе функций сооружения рассматривается защита от воздействия извне на емкость и исключения риска утечки содержимого.

Подробнее...

Опубликовано: 07 Июнь 2023

Изготовление фланцев

Фланцы — это плоские парные элементы, с помощью которых обеспечивают прочное герметичное соединение труб, валов, строительных конструкций, подключают к трубам трубопроводную арматуру и фиксируют трубы к емкостям и оборудованию. Соединительные рабочие элементы могут быть круглыми, квадратными, прямоугольными или иной формы. Материалом для всех способов изготовления фланцев выступает сталь и прочие металлы.

Подробнее...

Опубликовано: 31 Май 2023

Что лучше: кран шаровый или вентиль

Говоря о видах запорной арматуры, обычно сразу вспоминают два из них: кран шаровой и вентиль. Это объясняется тем, что они чаще всего устанавливаются в трубопроводных системах. И тот, и другой запорно-регулирующий механизмы востребованы благодаря надежности и простоте конструкции, но отличаются между собой по области применения и принципу регулировки потока рабочей среды.

Подробнее...

Опубликовано: 19 Май 2023

Контроль качества запорной арматуры

В процессе транспортировки рабочей среды по трубопроводу возникает необходимость уменьшить или полностью перекрыть поток. Для этого предназначена запорная арматура — устройства, которые составляют более 4/5 всей трубопроводной арматуры. От стабильности работы и надежности запорно-регулирующих узлов зависит эксплуатация системы трубопроводов.

Подробнее...

Опубликовано: 08 Май 2023

Изготовление резервуаров методом рулонирования

При строительстве резервуаров РВС используют разные подходы к сборке конструктивных элементов: метод рулонирования, полистовой монтаж, комбинированный. Комплектующие заранее изготавливают на заводе, а на стройплощадке разворачивают почти готовую конструкцию. Наиболее предпочтительным из трех вариантов сборки можно назвать метод рулонирования резервуаров, когда к месту монтажа в виде рулонов прямо из цеха отгружают все части:

Подробнее...

Опубликовано: 01 Май 2023

Материалы для изготовления трубопроводной арматуры

Наращивание объемов производства металлоизделий делает рынок стального проката еще более популярным В число востребованной среди потребителей продукции входит трубопроводная арматура — необходимый при прокладке трубопроводов значимый компонент инженерной системы. Трубопровод — сложное техническое сооружение, предназначенное для транспортировки газа, жидкостей и сыпучих веществ. В число комплектующих включены трубы, запорные устройства, измерительные приборы, датчики контроля и прочие важные элементы.

Подробнее...

Опубликовано: 24 Апрель 2023

Что лучше задвижки или шаровые краны

Запорная трубопроводная арматура влияет на стабильное функционирование трубопровода. На рынке металлопродукции предлагается широкий выбор устройств разных видов, поэтому потребители часто интересуются, что лучше, шаровой кран или задвижка, и каковы их достоинства и недостатки.

Подробнее...

Опубликовано: 19 Апрель 2023

Места для безопасного расположения газгольдера

Обустройство автономной системы газификации — эффективный способ обеспечить загородный дом или предприятие малого бизнеса энергией, получаемой при сжигании голубого топлива. В этом случае первоочередной задачей становится выбор места на участке для установки газгольдера, чтобы оно отвечало правилам безопасности.

Подробнее...

Опубликовано: 10 Апрель 2023

Как определить диаметр задвижки

Такую запорную арматуру, как задвижки, устанавливают в трубопроводных системах, чтобы получить возможность регулировать поток рабочей среды, в том числе полностью перекрывать его. Подбирая запорно-регулирующие устройства, необходимо учитывать размеры, соотнося их с параметрами трубопровода. Поэтому нужно определить диаметр задвижки, прежде чем начинать монтаж оборудования.

Подробнее...

Опубликовано: 02 Апрель 2023

Клиновая задвижка – назначение и разновидности

Разные устройства и компоненты, устанавливаемые в трубопроводах и предназначенные для регулировки потока рабочей среды, объединяют одним понятием — трубопроводная арматура. Затворы, краны, клапаны необходимы, чтобы в ручном или автоматическом режиме уменьшать или увеличивать проходное отверстие трубы или полностью перекрывать его, тем самым обеспечивая регулировку объема и давления транспортируемых жидкостей, газов и сыпучих веществ. Одно из запорных устройств, широко применяемых в разных индустриальных областях, — стальная клиновая задвижка.

Подробнее...

Опубликовано: 22 Март 2023

Способы защиты фланцевых конструкций от коррозии

Неисправность трубопровода часто связывают с коррозией фланцевых соединений труб. Инженеры ищут максимально эффективные способы защиты от коррозии фланцев в местах их соединения. Важно предотвратить раннее ржавление металла, потому что, разрастаясь, очаг ржавчины начинает нарушать целостность всей трубопроводной системы. Учитывая, что коррозионные процессы — это следствие окисления металла, защитные мероприятия направлены на минимизацию влияния агрессивной среды.

Подробнее...

Опубликовано: 10 Март 2023

Дисковый затвор – виды и способы монтажа

Поворотный дисковый затвор — это неполнопроходная запорная арматура, запирающий элемент которой имеет форму диска. Шиберная заслонка вращается на валу, а от величины угла, под которым в настоящий момент она установлена, зависит сечение трубы и, соответственно, скорость потока рабочей среды, пропускная способность и степень гидравлических потерь в трубопроводной системе.

Подробнее...

Опубликовано: 28 Февраль 2023

Дефекты запорной арматуры

Запорно-регулирующие устройства для труб, такие как краны, вентили, задвижки и некоторые другие, — все это трубопроводная арматура. Ее устанавливают в трубопроводных системах промышленного назначения, в сетях тепло- и водоснабжения и канализации коммунальных хозяйств, в водопроводах квартир и частных домов. Изделия отличаются длительным сроком эксплуатации, что обусловлено контролем качества на производстве. Это не исключает постепенного износа трубопроводной арматуры с течением времени, но имеют место и дефекты запорной арматуры, и нарушение правил эксплуатации и монтажа.

Подробнее...

Опубликовано: 14 Февраль 2023

Обратный клапан – как работает и разновидности

Обратный клапан для воды — это разновидность трубопроводной арматуры, которую устанавливают в системе водоснабжения и отопления для обеспечения движения воды или теплоносителя только в одном направлении. Предотвращение встречного потока дает возможность избежать слива жидкости из трубопровода. Запирающий механизм работает в автоматическом режиме, защищает трубопроводное оборудование и способствует увеличению эксплуатационных показателей взаимозависимых узлов трубопровода.

Подробнее...

Опубликовано: 03 Февраль 2023

Какой промышленный теплообменник выбрать

Причины замены теплообменного оборудования могут быть разные: устарела модель, снизилась производительность, обнаружены неисправности и прочее. Но тотчас появляется проблема — какой теплообменник выбрать взамен? Чтобы решить задачу, придется провести анализ предложений производителей, выяснить параметры устройства, оценить, насколько новый агрегат будет выполнять свои функции после внедрения в систему отопления и водоснабжения дома.

Подробнее...

Опубликовано: 25 Январь 2023

Отличия чугунных и стальных задвижек

Выбирая трубопроводную арматуру (сокращенно ТПА), важно знать, как отличить стальную задвижку от чугунной, так как от этого зависит работа трубопровода. Оба узла производят из металла, но разные сплавы обуславливают особенности каждого из изделий, а именно: показатели прочности, эксплуатационные характеристики и сферы использования.

Подробнее...

Опубликовано: 18 Январь 2023

Как проверить обратный клапан для воды: поиск причин неисправности и способы устранения

Обратный клапан на трубопровод перед монтажом и в процессе эксплуатации трубопровода в обязательном порядке рекомендуется проверить на работоспособность. Для этого выполняют простое действие — отводят в сторону ручку-рычажок. Из отверстия должна начать поступать вода. Регулярные проверки на исправность обратного клапана для воды дают возможность выявить некорректность функциональности в гидросистеме до того, как наступят критические последствия.

Подробнее...

Опубликовано: 07 Январь 2023

Шаровой кран – как устроен и где применяется

Трубопроводы, по которым осуществляется транспортировка жидких сред, в обязательном порядке оборудуются запорной арматурой. Минимальное количество мест перекрытия потока — два: перед входом в гидромагистраль и в точке разбора. Такая схема позволяет при необходимости перекрыть участок сети. Шаровой кран предназначен для открытия и закрытия просвета трубы, по которой движется жидкая среда. Название обусловлено формой перекрывающего течение компонента — шар, целый или его часть.

Подробнее...

Опубликовано: 02 Январь 2023

Выбор газгольдера

Обустроить систему газоснабжения частного дома или небольшого бизнес-предприятия можно от автономного источника. В качестве последнего выступает газгольдер — специальная емкость, в которой хранится сжиженный углеводородный газ, использующийся как топливо. Для независимого газоснабжения такую емкость для СУГ причисляют к самым важным компонентам, поэтому ее выбор — задача ответственная.

Подробнее...

Опубликовано: 28 Декабрь 2022

Наземный или подземный газгольдер - какой лучше

Газгольдер — это резервуар для закачивания, подачи и хранения сжиженного углеводородного газа (СУГ). Оборудование представлено двумя типами - надземное и подземное. Активно используется при организации систем автономного газоснабжения.

Подробнее...

Опубликовано: 19 Декабрь 2022

Затвор или задвижка – сравнение видов запорной арматуры

Задвижка и затвор – виды запорной арматуры, применяемой на трубопроводах гражданского или промышленного назначения. И то и другое используется для одной цели – перекрытия потока. Это их общее свойство. Но есть и различия, в том числе конструкционные, которые определяют функционал изделий, а значит, и эффективность их применения в различных технологических линиях.

Подробнее...

Опубликовано: 07 Сентябрь 2021

Задвижки и затворы - обозначения и виды

О том, что за характеристики имеет конкретная запорная арматура, расскажет ее обозначение – маркировка. Он наносится производителем и обязателен к изучению перед покупкой механизмов перекрытия. От того, что указано в обозначении, зависит эффективность установки трубопроводной запорной арматуры в заданных условиях. Разберемся, как маркируются различные типы изделий.

Подробнее...

Опубликовано: 06 Сентябрь 2021

Использование шланговых задвижек в промышленности

По сравнению с устройствами 10–15-летней давности, современные шланговые задвижкибыли существенно усовершенствованы. Это определило широкую сферу их использования и привлекательность арматуры в разных отраслях промышленности. Установка и использование шланговых механизмов сегодня оправданы не только их привлекательной ценой, но и высоким качеством материалов конструкции, определяющим износостойкость ее элементов.

Подробнее...

Опубликовано: 03 Сентябрь 2021

Свойства материалов: NBR, Viton, EPDM, PTFE

Запорная арматура с уплотнением сегодня выполняется со вкладышами из разных материалов. От выбора уплотнительного вкладыша зависит не только стоимость нового крана или затвора, но и сроки изготовления арматуры, и ее устойчивость к различным моющим или прочим составам в месте эксплуатации.

Подробнее...

Опубликовано: 12 Июль 2021

Эксплуатация воздухосборников

При эксплуатации воздухосборников необходимо соблюдать ряд правил, установленных регламентом для оборудования, работающего под давлением.

Подробнее...

Опубликовано: 20 Декабрь 2019

Как правильно заправить газгольдер

Как часто заправлять газгольдеры разных объемов с учетом расхода материала? Что учесть при планировании очередной закачки? Как подготовить газгольдер для СУГ? Разберем ответы на популярные вопросы пользователей емкостей.

Подробнее...

Опубликовано: 16 Декабрь 2019

Виды сепараторов нефти и газа

Сепаратор НГС или (в расшифровке) нефтегазовый сепаратор – оборудование, которое применяют предприятия химической и нефтяной промышленности с целью очистки материала от попутных газов и воды.

Подробнее...

Опубликовано: 09 Декабрь 2019

Резервуары для топлива

Емкость для топлива – металлический резервуар горизонтального или вертикального размещения, предназначенный для больших объемов продуктов нефти. Широко применяется на автомобильных заправочных станциях.

Подробнее...

Опубликовано: 19 Ноябрь 2019

Стальные резервуары для воды

Емкость для хранения питьевой воды – питьевой резервуар – объективная необходимость на промышленных и производственных площадках, куда временно или постоянно не представляется возможным подвести водопровод.

Подробнее...

Опубликовано: 12 Ноябрь 2019

Резервуары утеплённые ППУ

Хранение нефтепродуктов в резервуарах имеет много плюсов: это экономично, надежно, удобно. Но из-за разницы температур внутри и снаружи емкости происходит процесс испарения содержимого, а на металлических стенках сосуда образуется конденсат, который благоприятствует коррозии и снижает срок службы оборудования. Для решения этих проблем и применяется теплоизоляция резервуара

Подробнее...

Опубликовано: 05 Ноябрь 2019

Испытания и приемка резервуаров

Перед установкой, подключением и началом эксплуатации парка в обязательном порядке проводится его проверка и оформляется акт приемки резервуара. Условия данных процедур задают строительные нормы и правила № 3.05.03–85.

Подробнее...

Опубликовано: 22 Октябрь 2019

Резервуары на санях

Нестандартное исполнение не отменяет основной функции изделия: назначение резервуара на санях – хранение нефтепродуктов (топлива, мазутов, битумов и т. д.). Использование же дополнительного элемента расширяет его возможности, позволяя перемещать изделие непосредственно по грунту (снегу).

Подробнее...

Опубликовано: 15 Октябрь 2019

Пожарные задвижки

Пожарная задвижка – вид запорной арматуры, обязательный элемент пожарных насосных станций, одно из самых востребованных устройств противопожарных систем. Применяется как на внутренних водопроводах, так и для наружного водоснабжения.

Подробнее...

Опубликовано: 08 Октябрь 2019

Выбор резервуарного оборудования

Современное резервуарное оборудование – это огромный ассортимент различных емкостей, отличных по оснащению, исполнению, вместительности. В каждом случае нужна своя тара для хранения нефтепродуктов. Как правильно выстроить выбор типа резервуара, чтобы получить гибкую адаптивную систему?

Подробнее...

Опубликовано: 24 Сентябрь 2019

Характеристики и виды АЗС

Автомобильная заправочная станция – комплекс сооружений, на назначение которой явно указывает название. АЗС – это хранилище различных нефтепродуктов с функцией из заправки в топливные баки или цистерны автомобильного транспорта. Объект служит для обеспечения нормального движения автомобилей в регионе размещения. В зависимости от проекта может отличаться.

Подробнее...

Опубликовано: 17 Сентябрь 2019

Насосы для нефтепродуктов

Нефтяной насос – обязательное оборудование резервуара, задействованного в работе с нефтью и ее продуктами. Устанавливается во всех точках откачки и забора. Необходим для транспортировки рабочей среды принудительным способом при закачке, выдаче материалов и пермещении внутри нефтебазы.

Подробнее...

Опубликовано: 10 Сентябрь 2019

Дыхательная арматура

Дыхательная арматура резервуаров для нефти и нефтепродуктов – обязательный элемент системы оснащения парков, единственный эффективный способ предупреждения аварий в результате деформации емкости. Вероятность такой деформации повышается на этапах приемки и раздачи вещества из-за избыточной нагрузки или создания вакуума.

Подробнее...

Опубликовано: 26 Автуст 2019

Установка запорной арматуры

Учитывая ответственную роль, сложности конструктивного исполнения и немалую стоимость изделий, установка запорной арматуры на промышленных трубопроводах должна производиться только специалистами высокого класса. Как показывает практика, в таком процессе важно все – соблюдение правил, предписанных производителем, грамотный выбор места подключения, способы приладки изделий.

Подробнее...

Опубликовано: 12 Автуст 2019

Газгольдеры для частного дома

Система крупного газопровода рядом с участком, на котором расположено жилое строение, значительно упрощает практику газификации частного дома. Но такие условия есть только в крупных городах, и то не во всех. Что не отменяет возможности подключения газа для отопления и обслуживания загородных поселков, но определяет потребность в дополнительном оборудовании – газгольдерах.

Подробнее...

Опубликовано: 05 Автуст 2019

Пожарные резервуары

Пожарный резервуар – объективная необходимость, противопожарная мера и предписанное регламентом требование для автобаз, заправок и других хранилищ огнеопасных веществ, расположенных на удалении от ближайшего водоема на 250 метров. Выполняется из огнеупорного материала, служит для формирования запаса воды и оснащается всем необходимым для быстрой ее подачи к зоне возникновения пожара.

Подробнее...

Опубликовано: 22 Июль 2019

Применение резервуаров для мазута

Мазутный остаток – один из видов темных нефтепродуктов, широко применяемый в промышленности для обслуживания различных технологических процессов. Для его содержания применяются специальные баки – резервуары.

Подробнее...

Опубликовано: 15 Июль 2019

Резервуары для темных нефтепродуктов

Особенность хранения и перевозок темных нефтепродуктов, которые определяют выбор резервуаров для них, – химический состав. Такие продукты содержат более тяжелые остатки переработки, потому их цвет темный, а вязкость более высокая, чем у светлого сырья.

Подробнее...

Опубликовано: 08 Июль 2019

Предохранительная арматура

Трубопроводная предохранительная арматура – группа приспособлений, устанавливаемая на различных трубопроводах для обеспечения их безопасной работы. Функционально такая продукция предназначена для предотвращения аварийных ситуаций при критическом росте давления в системе путем сброса избыточного объема рабочей среды.

Подробнее...

Опубликовано: 24 Июнь 2019

Газовая обвязка резервуаров

Устройство сети газопроводов, соединяющее газопространства нескольких емкостей парка, формирует газовую обвязку резервуаров. Технология применяется только для сосудов, предназначенных для хранения нефти, в которых содержится один ее сорт.

Подробнее...

Опубликовано: 17 Июнь 2019

Как выбрать обратный клапан

Безопасная работа любого трубопровода требует строгого соблюдения направления движения потока. Чтобы исключить его ток в противоположном направлении, используется защитная запорная арматура – обратный клапан. Он работает автоматически (открывается силой воды) и обеспечивает способность хода рабочей среды в одну сторону.

Подробнее...

Опубликовано: 10 Июнь 2019

Оборудование газовой котельной

Промышленные и производственные комплексы нуждаются в качественном и недорогом устройстве теплоснабжения, которая бы демонстрировала эффективность при относительно небольших затратах. Газовая котельная с этими задачами справляется лучше альтернативных решений, потому в большинстве случаев система отопления на российских предприятиях реализуется именно на ее базе.

Подробнее...

Опубликовано: 22 Май 2019

Пожарная безопасность резервуарных парков

Современная практика хранения нефти реализована через резервуарные парки – комплекс сооружений с различным количеством резервуаров, в которых содержится нефтепродукт. Учитывая высокую взрыво- и пожароопасность продукта, возгорания в резервуарах – ключевой риск, на который должна работать техника пожарной безопасности резервуарного парка.

Подробнее...

Опубликовано: 15 Май 2019

Диагностика и вывод резервуара из эксплуатации

Согласно регламенту, все конструкции резервуарного парка для нефти и нефтепродуктов должны периодически проходить диагностирование. Результаты диагностики резервуаров определяют возможность дальнейшего использования оборудования. Если в ходе диагностики резервуаров выявлен недопустимый износ, оборудование отправляется на полную техническую проверку.

Подробнее...

Опубликовано: 07 Май 2019

Защита резервуаров от коррозии

Резервуары для нефтяных продуктов и газа должны сохраняться в герметичном состоянии - это одна из основных задач, стоящих перед специализированными предприятиями. Чтобы эксплуатируемое оборудование меньше подвергалось поломкам и авариям, каждую емкость требуется защитить. Делается это с помощью разнообразных средств антикоррозийной защиты.

Подробнее...

Опубликовано: 23 Апрель 2019

Дегазация резервуаров

Дегазация резервуара и цистерн для транспортировки нефтепродукта – технологическая процедура, предписанная к регулярному проведению на самом высоком регламентном уровне. Является частью процесса очистки (зачистки) резервуара и одним из самых опасных этапов ее выполнения.

Подробнее...

Опубликовано: 11 Апрель 2019

Технологическое оборудование АЗС

АЗС или в расшифровке автозаправочная станция – технико-технологический комплекс, состоящий из сооружений и резервуарного оборудования, расположенных на ограниченной площади. Основная деятельность комплекса – обслуживание автотранспорта топливом.

Подробнее...

Опубликовано: 04 Апрель 2019

Сокращение потерь нефтепродуктов в резервуарах

Испарение – одно из негативных качеств нефти и продуктов из нее. Во избежание потерь объема ценного ресурса при устройстве нефтебазы уделяют самое пристальное внимание резервуарам для нефти. Почему? Потому что на них приходится самый большой объем потерь испаряемого материала на всем пути его следования.

Подробнее...

Опубликовано: 20 Март 2019

Применение компенсаторов

Современные компенсаторы для трубопроводов – скорее необходимость, чем дополнительное средство защиты сети. При грамотном выборе устройства, его правильной установке пользователь получает комплексный положительный эффект.

Подробнее...

Опубликовано: 13 Март 2019

Ремонт резервуаров для нефтепродуктов

Безостановочный транспорт нефти и ее продуктов зависит от ряда факторов, в списке которых исправность резервуарного оборудования занимает одно из первых по приоритетности мест. Чем более надежно организована программа обслуживания емкостей резервуарных парков магистральных нефтяных объектов, тем выше эффективность их эксплуатации.

Подробнее...

Опубликовано: 06 Март 2019

Подогрев нефтепродуктов в резервуарах

Одна из особенностей темных продуктов нефти – их высокая вязкость, которая при похолодании приводит к затрудненной перекачке ресурса с целью его хранения, выдачи, транспортировки и т. д. У проблемы есть решение – подогрев нефтепродуктов в резервуарах.

Подробнее...

Опубликовано: 25 Февраль 2019

Маркировка запорной арматуры

Современный каталог арматурных конструкций представлен широким рядом видов запорной арматуры, отличающихся по материалу исполнения, размерам, принципу действия, способам производства. Для простоты, быстроты и удобства поиска нужной продукции в этом ассортименте используются специальные обозначения. Система этих знаков называется маркировкой арматуры и должна отвечать некоторым требованиям.

Подробнее...

Опубликовано: 18 Февраль 2019

Резервуары для АЗС

Современную автозаправочную станцию сложно представить без специального оборудования. Его присутствие регламентировано правилами работы такого объекта и требует ответственного подхода к выбору устройств. Среди них – устройство резервуаров для АЗС (парк для хранения и выдачи отпускаемых нефтепродуктов). Представляет собой комплект металлических сосудов из полимеров и стали наземного или подземного размещения.

Подробнее...

Опубликовано: 11 Февраль 2019

Требования к резервуарам для хранения нефти

Эксплуатация резервуарных парков в обязательном порядке требует соблюдения ряда требований. Их набор определяют особенности использования группы резервуаров и назначение – условия, которые тара для нефти и нефтепродуктов должна последним обеспечить. Это необходимо как для обеспечения безопасности на предприятии, так и для создания других важных для работы обстоятельств.

Подробнее...

Опубликовано: 17 Январь 2019

Проектирование трубопроводных систем

Трубопроводные системы – транспортировочные путепроводы для перегонки разных сред. Без прокладки трубопроводов невозможна работа большинства коммуникационных сетей (отопление, водоподготовка, водоснабжение), атомных и тепловых станций, электросистем и многого другого.

Подробнее...

Опубликовано: 10 Январь 2019

Контроль качества нефти и нефтепродуктов

На базе продуктов нефти сегодня работает вся техника, осуществляется ее обслуживание и обеспечение необходимым рабочим ресурсом. От того, каким будет качество этих продуктов, зависит работоспособность, долгосрочность службы, окупаемость, характеристики оборудования, спецтехники и прочих технических элементов, широко используемых во всех отраслях промышленности, производства, сервисного сопровождения и т. д.

Подробнее...

Опубликовано: 17 Декабрь 2018

Очистка резервуаров от нефтепродуктов

Резервуарная тара зарекомендовала себя как единственно приемлемая для хранения, сбора и транспортировки нефти и продуктов из нее. Она долговечна и эффективна, но все ее качества со временем теряются из-за неправильного обслуживания.

Подробнее...

Опубликовано: 10 Декабрь 2018

Нефтеперекачивающие станции

Нефтеперекачивающая станция или НПС – сложное оборудование, которое необходимо для эффективной работы предприятия, занятого переработкой, хранением или сбором нефтепродуктов.

Подробнее...

Опубликовано: 15 Ноябрь 2018

Классификация соединений стальных труб

Ключевое условие долгосрочной безопасной эффективной работы трубопровода – качество соединения его элементов и крепления к ним дополнительных компонентов.

Подробнее...

Опубликовано: 13 Ноябрь 2018

Классификация трубопроводной арматуры

Трубопроводная сеть представляет собой сложную конфигурацию, которая должна отвечать требованиям к надежности, управляемости и безопасности, чтобы оправдать свою цену. А это невозможно без использования приспособлений, которые помогают контролировать процессы, объемы транспортировки веществ, реагировать на аварийные ситуации и т. д. Речь о трубопроводной арматуре, которую сегодня можно купить в большом ассортименте.

Подробнее...

Опубликовано: 15 Октябрь 2018

Способы прокладки трубопроводов

Трубопроводы – подземные и надземные – одна из важнейших коммуникаций городов, хозяйств, предприятий. Системы водоснабжения и водоподготовки, транспортировки жидких сред, отопления, газовые и нефтяные магистрали – все это трубопроводные сборки. От того, насколько грамотно они реализованы, зависит бесперебойность их работы, безопасность и стоимость обслуживания.

Подробнее...

Опубликовано: 08 Октябрь 2018

Монтаж резервуаров для нефтепродуктов

Качество резервуара для нефтепродуктов и нефти – одно из ключевых условий обслуживания опасных сред на промышленном объекте. Это важное требование, но не исчерпывающее. Чтобы добиться высокой эффективности использования стального оборудования и его обоснованной цены, необходимо грамотно произвести установку резервуара.

Подробнее...

Опубликовано: 24 Сентябрь 2018

Оборудование для нефтебаз

Работа с нефтью и нефтепродуктами сопряжена с серьезными рисками. Последние, прежде всего, связаны с воспламеняемостью материала. И ключевая задача предприятия, которое использует нефтебазы, – исключить вероятность возгораний в результате утечек или аварий в процессе сбора, хранения, отгрузки или транспортировки материалов.

Подробнее...

Опубликовано: 17 Сентябрь 2018

Цистерны для нефтепродуктов

Продукты нефти относят к опасным наливным грузам, которые требуют соблюдения ряда жестких правил при их транспортировке. Один из первых пунктов этого свода предполагает использование специальной тары для перевозки – цистерн.

Подробнее...

Опубликовано: 10 Сентябрь 2018

Градуировка резервуаров

Градуировка резервуара – процедура учета расхода среды, которая в нем содержится для контроля правильной эксплуатации оборудования. Регламентируется ГОСТ 8.570–200 и 8.346–2000. Обязательна для всех, кто использует резервуарную технику для нужд производства или осуществления промышленной деятельности.

Подробнее...

Опубликовано: 21 Автуст 2018

Классификация газопроводов

Газ – один из ресурсов, широко используемых для нужд населения. Он применяется в системах теплоснабжения, на производствах, в практике приготовления пищи и т. д. Без газа сложно представить современное жилье или промышленное предприятие. Но для его подачи могут применяться различные типы путепроводов.

Подробнее...

Опубликовано: 14 Автуст 2018

Ввод резервуаров в эксплуатацию

Резервуары для СУГ перевод вводом в эксплуатацию должны пройти техосвидетельствование. Только при отсутствии нарушений возможно первичное наполнение аппарата. Осуществляется данный процесс с соблюдением ряда условий и документируется по форме наряда допуска, установленной Правилами безопасности 12–529 (проведение газоопасных манипуляций).

Подробнее...

Опубликовано: 07 Автуст 2018

Как выбрать шаровой кран

Благодаря простому устройству и высокой надежности конструкции шаровые краны снискали немалую популярность при строительстве трубопроводов. Предложение на такой спрос всегда реагирует однозначно – популярный вид арматуры представлен на российском рынке очень широко. Чтобы купить долговечную надежную продукцию, надо понимать, как механизм устроен, в чем его особенности и кто подскажет, что именно вам стоит выбрать для бесперебойной надежной работы магистрали.

Подробнее...

Опубликовано: 18 Июль 2018

Резервуарные парки

Создание резервуарного парка – обязательное условие работы магистрального нефтепровода. Сам нефтяной комплекс представляет собой группу резервуаров для сбора и хранения нефти, продуктов из нее, соединенных между собой коммуникациями. Кроме нефти, в сосудах может содержаться масло, светлые и темные нефтепродукты.

Подробнее...

Опубликовано: 09 Июль 2018

Хранение нефтепродуктов, нефти и газа

Практически любая современная отрасль работает с нефтью и нефтепродуктами – газами, топливом, дистиллятами и т. д. Процесс обеспечения потребностей рынка (частных потребителей и предприятий) данным продуктом строго регламентирован. Причем не только в части транспортировки, но и в плане хранения нефти и нефтепродуктов.

Подробнее...

Опубликовано: 25 Июнь 2018

Водоразборная арматура

Водоразборная арматура – это обширная группа приспособлений, которые применяются во всех вариантах трубопроводов. Сами приспособления представляют собой разные классы, виды и модели водозаборных кранов, клапанов и другие компонентов, необходимых для контролируемой подачи потока в бытовых или промышленных магистралях.

Подробнее...

Опубликовано: 18 Июнь 2018

Защитная арматура

В ходе эксплуатации трубопроводов, насосных станций, сосудов и резервуаров – любых систем, функционирующих под давлением, – нередко возникают аварийные ситуации. Связаны последние преимущественно с механическими повреждениями, выходом из строя отдельного оборудования, поломками различной техники под действием агрессивной рабочей среды.

Подробнее...

Опубликовано: 28 Май 2018

Производство сепарационного оборудования

ООО "НПО "Спецнефтемаш" - завод по производству промышленного оборудования (один из самых опытных в России) - предлагает купить сепаратор по цене производителя или заказать его изготовление в краткие сроки. С доставкой и без наценок посредников.

Подробнее...

Опубликовано: 14 Май 2018

Ресиверы азота

Сжатый азот применяется во многих отраслях – от пищевой до фармацевтической. Причем для крупного предприятия (лаборатории, автосервиса) его нужно много. И газ этот надо где-то хранить. Именно для этих целей и предназначен специальный аппарат – ресивер азота.

Подробнее...

Опубликовано: 24 Апрель 2018

Выбор трубопроводной арматуры

Грамотный выбор трубопроводной арматуры – один из ключевых этапов проектирования трубопровода по двум причинам.

Подробнее...

Опубликовано: 10 Апрель 2018

Виброкоменсаторы

В процессе использования любых трубопроводов огромное значение имеет фактор вибрации. Будучи постоянным условием функционирования системы под давлением, вибрация снижает износостойкость элементов трубопровода и сокращает срок его службы.

Подробнее...

Опубликовано: 26 Март 2018

Производство трубопроводной арматуры

Все предприятия химической, добывающей, перерабатывающей, пищевой, газовой и нефтегазовой, топливно-энергетической промышленности активно эксплуатируют трубопроводное оборудование различных типов и уровней сложности. Но вне зависимости от назначения и маршрута данной системы пользователи трубопроводов одинаково остро нуждаются в качественной запорной и регулирующей арматуре для обеспечения работоспособности магистрали.

Подробнее...

Опубликовано: 12 Март 2018
Запрос цены
Подписка на рассылку
Запрос цены
Заказать звонок
ООО НПО Спецнефтемаш
Производство резервуарного оборудования, емкостных аппаратов и трубопроводной арматуры

RU,
ул.Стрельбищенская, д. 60,
Пенза,
440023
Телефоны: +7 (800) 3021-565 +7 (8412) 45-06-86 +7 (8412) 45-06-83 +7 (499) 399-36-86 +7 (843) 245-16-86 +7 (3412) 77-11-86 +7 (3919) 27-08-86 +7 (3462) 982-086 +7 (3496) 450-686 +7 (4112) 258-886 +7 (3843) 602-886 +7 (391) 214-58-86 +7 (383) 375-48-86 +7 (3812) 378-586 +7 (342) 204-50-86 +7 (351) 377-11-86 +7 (3453) 528-086 +7 (861) 290-58-86 +7 (8512) 62-06-86 +7 (8442) 50-00-86 +7 (3532) 90-56-86 +7 (812) 931-73-44‬

https://snmash.ru/images/logo.svg

https://snmash.ru/images/logo.svg
от 3000 рублей до 2500000 рублей