Резервуар для СУГ (газгольдер) 25 м3
25 м3
От -60 до 50 °C
сталь 09Г2С, 12Х18Н10Т
1,6 МПа
УХЛ1
СУГ
до 9 баллов
20 лет
ООО "НПО "Спецнефтемаш"
Типоразмеры в наличии:
Сосуды для хранения СУГ (газгольдеры) представляют собой горизонтальный цилиндрический сосуд с эллиптическими днищами. Сжиженный газ хранится в емкостях под давлением 1,6 МПа и при температуре окружающей среды от - 60ºС до + 50ºС.
ООО "НПО "Спецнефтемаш" изготавливает сосуды для хранения СУГ 25 м3 в трех конструктивных исполнениях:
- Наземное
- Подземное
- Двустенное
Наземное исполнение
Наземные сосуды для хранения СУГ объемом 25 м3 устанавливаются на опоры-лапы или опоры-стойки в зависимости от характеристик грунта. С внешней стороны сосуды покрываются бело-серой эмалью. В верхней части корпуса предусмотрены горловина или горловины со штуцерами, которые необходимы для установки технологического оборудования (уровнемеров, манометров, клапанов и т.д.).
Подземное исполнение
Подземные сосуды для хранения СУГ объемом 25 м3 являются более экологически безопасной конструкцией, но для их безопасной эксплуатации требуется дополнительная гидроизоляция для защиты поверхности сосуда от негативного воздействия грунта и подземных вод. В верхней части корпуса также изготавливаются горловины для штуцеров, в которые устанавливают емкостное оборудование. Гидроизоляция подземных сосудов изготавливается весьма усиленного типа из битумных мастик, эпоксидных смол и других веществ. Также подземные сосуды могут иметь катодно-анодную защиту. В случае эксплуатации сосудов в холодном климате на поверхность емкости устанавливают теплоизоляцию для поддержания температуры сжиженного газа на заданном уровне.
Двустенное исполнение
Двустенные сосуды для хранения сжиженного газа объемом 25 м3 представляют собой "сосуд-в-сосуде": внутри внешнего сосуда расположен внутренний сосуд. Такая конструкция является максимально безопасной, так как в случае разгерметизации внутреннего сосуда хранимый газ попадает в межстенное пространство, а не в окружающую среду. Межстенное пространство заполняется инертным газом или тосолом. Эта жидкость помогает получить информацию о возможной разгерметизации стенок внутреннего сосуда.
Технические характеристики
| Характеристики | СУГ-25 |
| Рабочий продукт | сжиженный углеводородный газ, пропан-бутан или другие газы с упругостью паров не более, чем упропана |
| Номинальный объем, м3 | 25 |
| Уровень налива, % | 85 |
| Полезный объем, м3 | 21,25 |
| Способ размещения | наземный, подземный |
| Конструктивное исполнение | одностенные, двустенные |
| Днища | эллиптические |
| Давление рабочее, МПа | 1,6 |
| Давление расчетное, МПа | 1,8 |
| Давление пробное гидравлическое, МПа | 2,03 |
| Температура эксплуатации, ºС | -40...+45 |
| Основной материал | сталь 09Г2С |
| Толщина стали | 10-22 мм |
| Группа аппарата по ОСТ 26-291-94 | 1 |
| Класс опасности по ГОСТ 12.1.007-76 | 4 |
| Пожароопасность по ГОСТ 12.1.004-91 | да |
| Категория и группа взрывоопасности по ГОСТ 12.1.001-78 | IIa-Т3 |
| Антикоррозионная защита внешней поверхности подземных сосудов | антикоррозионная защита весьма усиленного типа оп ГОСТ 9.602-2005 "Сооружения подземные. Общие требования к защите от коррозии" |
| Установленный срок службы, лет | 20 |
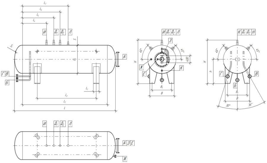
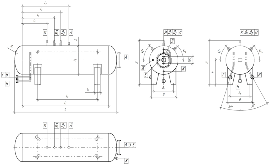
Габаритные размеры
| Наземное исполнение | Подземное исполнение | ||||||||
| D, мм | L, мм | H, мм | Масса, кг (одност.) | Масса, кг (двуст.) | D, мм | L, мм | H, мм | Масса, кг (одност.) | Масса, кг (двуст.) |
| 2000 | 8120 | 2320 | 5620 | 10600 | 2000 | 8104 | 2877 | 5620 | 10600 |
Таблица штуцеров
| Обозначение | Назначение | Кол-во, шт. | Dn, мм | Давление, МПа (кг/см2) | Стандарт на фланцы |
| А | вход продукта | 1 | 50 | 1,6 (16) | ГОСТ 12820 исп.3 |
| Б | выход продукта | 1 | 50 | 1,6 (16) | ГОСТ 12820 исп.3 |
| В | связь по газу | 1 | 32 | 1,6 (16) | ГОСТ 12820 исп.3 |
| Д1, Д2 | для предохранительного клапана | 2 | М72х2 | 1,6 (16) | |
| Е | для указателя уровня | 1 | К2" | 1,6 (16) | |
| Ж | для манометра | 1 | М20х1,5 | 1,6 (16) | |
| К | сброс на свечу | 1 | G3/4" | 1,6 (16) | |
| Н | дренаж | 1 | 32 | 1,6 (16) | ГОСТ 12820 исп.3 |
| П | люк | 1 | 500 | 1,6 (16) | ГОСТ 287592-90 исп.2 |
Требования к сейсмичности площадки строительства
Благодаря передовым технологиям производства, резервуарное и емкостное оборудование ООО НПО "Спецнефтемаш" способно выдерживать сейсмические воздействия вплоть до 9 баллов по шкале MSK-64. Проведенные в сентябре 2017 года испытания подтвердили это на практике, в результате чего был получен Сертификат Соответствия требованиям нормативных документов ГОСТ 30546.1-98, ГОСТ 30546.2-98, ГОСТ 30546.3-98.
Таким образом, если вам необходимо качественное резервуарное или емкостное оборудование при строительстве объектов нефте-газовой промышленности в сейсмически активных районах, ООО НПО "СпецНефтеМаш" готов удовлетворить ваш спрос.
Заказать газгольдеры FAS 25 м3
Для хранения сжиженного газа в России традиционно используются зарубежные резервуары. Но в данный момент поставки европейских газгольдеров осложнены. Исходя из этого, компания ООО "НПО "Спецнефтемаш" начала производить аналоги емкостей FAS с марта 2022 года. Чтобы купить газгольдер FAS 25 м3, заполните форму внизу страницы, либо свяжитесь с отделом продаж.
Информация для Заказчиков
Мы производим сосуды как по стандартным проектам, так и по индивидуальному заказу. По требованию Заказчика подбираются следующие параметры:
- конструкция сосуда (наземная, подземная, двустенная)
- габаритные размеры
- количество горловин и их высота
- комплектация сосуда технологическим оборудованием
- способ антикоррозионной обработки
- наличие гидроизоляции и теплоизоляции
Чтобы заказать и купить резервуар для СУГ 25 м3, Вы можете связаться со специалистами ООО "НПО "Спецнефтемаш":
- по электронной почте marketing@snmash.ru
- по телефону 8-800-3021-565

