Отстойник нефти с перегородками ОГН-П
25-200
2000-15000 м3/сутки
нефтяная эмульсия
1,0; 1,6; 2,5
-60...+100
-40...+60
У, УХЛ
09Г2С, 16ГС
не менее 20
Отстойник нефти типа ОГН-П – емкость цилиндрической формы, внутренняя часть которой разделена на 2 отсека. Спецоборудование используется для удаления из нефтяной эмульсии воды и газа в процессе нефтепереработки. В одном из отсеков отстойника нефти сырье очищается, он разделен поперечными элементами по центру корпуса. Во втором отсеке собирается очищенная нефть.
Использование аппарата
Очистка добываемого нефтепродукта от газа, механических вкраплений, содержащейся в нем воды – одна из ключевых задач в нефтепереработке. Для ее проведения на достойном уровне качества результата и применяются отстойники нефти типа ОГН-П.
Нефтяной отстойник с перегородками данного типа позволяет очистить сырье быстро, эффективно и недорого. Единственная особенность касается параметров нефтяной эмульсии, которые определяют возможность использования такого типа отстойников нефти.
Купить отстойник нефти ОГН-П – целесообразное решение для нефтеперерабатывающего или нефтедобывающего предприятия при соблюдении следующих требований к отстаиваемой среде:
- обводненность сырья – до 30%;
- обводненность получаемого на выходе очищенного продукта – до 0,5%;
- концентрация сероводорода – до 8%;
- медианный размер частиц мусора в нефти – до 0,02 мм;
- механических примесей – до 10 г в кубометре.
Особенности очистки в горизонтальных отстойниках нефти
Простой принцип действия горизонтального нефтяного отстойника с перегородками – одно из преимуществ. Он основан на силе гравитации. Эмульсия отстаивается в емкости, в результате чего происходит ее разделение на составляющие различной массы и плотности. Благодаря промежуточным разделителям – поперечным перегородкам – процесс ускоряется.
Как это работает:
- Взвесь с содержанием нефти, газа и воды с вкраплениями мусора и солей подается через специальный – входной – штуцер.
- Гравитационное отстаивание нефти происходит в пространстве между перегородками, в результате чего:
- чистая нефть идет через верхние кромки промежуточных разделителей вверх, по мере наполнения емкости она переливается и попадает в соответствующий отсек, откуда затем откачивается в емкости для хранения;
- вода вместе с механическими примесями проходят дополнительный отстой в пространстве между промежуточными перегородками, после чего опускаются на дно и сбрасываются потоком наружу;
- пока капли воды проходят отстаивание, оставшаяся в них нефть оседает в нижней части отсека, затем поднимается к верхним кромкам и попадает в отдел для очищенного сырья;
- механические примеси и соли, содержащиеся в эмульсии, и отделяемые в верхней части промежуточных перегородок, оседают на дне нефтяного отстойника, после чего удаляются;
- отделенный газ выводится через специальный выход, а для его безопасного удаления на этот выход – штуцер – устанавливают регулятор давления.
Уровень удаляемой очищенной нефти, для которого задаются предельные значения (минимум и максимум), контролируется с помощью уровнемера.
Как устроен нефтяной отстойник с перегородками ОГН-П
Конструкция отстойника нефти ОГН-П представляет собой цилиндрический корпус горизонтального размещения, разделенный внутри на 2 отсека – для отстаивания эмульсии и накопления очищенного сырья. В отсеке для отстаивания эмульсии предусмотрены промежуточные поперечные разделители, которые решают 2 задачи:
- в верхнем отделе – отделяют из эмульсии примеси воды, солей, мусора;
- в нижней части – способствуют отделению капли нефти из воды.
Корпус с эллиптическими днищами выполняется из стали различных марок. Базовое оснащение аппарата включает:
- штуцеры – входные, отводные;
- опоры типа «лапы» или «стойки» для монтажа отстойника нефти ОГН-П;
- люк-лаз;
- технологическое оборудование – клапаны, уровнемер, термометр, манометр, регулятор раздела фаз и т. д.;
- люк зачистки.
В зависимости от условий эксплуатации, корпус может выполняться стандартным или теплоизолированным. В последнем исполнении аппарат может использоваться в холодных регионах, выдавая высокую эффективность очистки при постоянных минусовых температурах.
Технические характеристики
| № | Параметры | Значение |
|---|---|---|
| 1 | Назначение | обезвоживание нефти с сепарацией газа |
| 2 | Рабочая среда | нефтяная эмульсия |
| 3 | Касс опасности рабочих сред | 3, 4 |
| 4 | Объем, м3 | 25, 50, 100, 200 |
| 5 | Рабочее давление, МПа | 1; 1,6; 2,5 |
| 6 | Температура рабочей среды, ºС | от -60 до +100 |
| 7 | Производительность, м3/сут. | до 2000-15000 |
| 8 | Температура эксплуатации, ºС | от +40 до -60 |
| 9 | Климатическое исполнение | У, У1, УХЛ, УХЛ1 категория размещения 1 |
| 10 | Сейсмичность района эксплуатации, баллов, не более | 8 |
| 11 | Материальное исполнение |
|
| 12 | Дополнительное оборудование | теплоизоляция по требованию Заказчика |
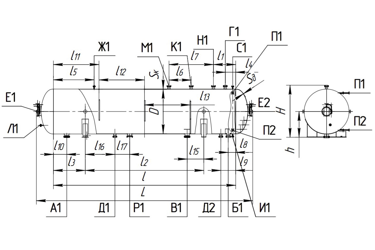
Чертеж отстойника нефти ОГН-П
Таблица назначений штуцеров в отстойнике ОГН-П
| Обозначение |
Наименование, Ду, мм |
Объем отстойника, м3 | |||
|---|---|---|---|---|---|
| 25 | 50 | 100 | 200 | ||
| А1 | Ввод сырья | 150 | 200 | 250 | 300 |
| Б1 | Вывод нефти | 150 | 150 | 200 | 200 |
| В1 | Вывод воды | 150 | 200 | 250 | 250 |
| Г | Вывод газа | 150 | 150 | 150 | 150 |
| Д1, Д2 | Дренаж | 150 | 150 | 150 | 150 |
| Е1, Е2 | Люк-лаз | 500 | 500 | 500 | 500 |
| Ж1 | Для манометра | 50 | 50 | 50 | 50 |
| И1 | Для прокладки | 50 | 50 | 50 | 50 |
| К1 | Для предохранительного клапана | 150 | 150 | 150 | 150 |
| Л1 | Для термометра | 50 | 50 | 50 | 50 |
| М1 | Для регулятора раздела фаз | 150 | 150 | 150 | 150 |
| Н1 | Для регулятора уровня | 150 | 150 | 150 | 150 |
| П1, П2 | Для камеры уровнемера | 50 | 50 | 50 | 50 |
| Р1 | Люк для зачистки | 250 | 250 | 250 | 250 |
| С1 | Для газоуровнительной линии | 50 | 50 | 50 | 50 |
Выбор горизонтального отстойника нефти
Чтобы заказать отстойник нефти ОГН-П в том варианте, который подойдет для решения конкретных задач нефтедобывающего или нефтеперерабатывающего предприятия, нужно разобраться в его основных характеристиках. Их 4:
- вместительность (зависит от объемов добычи и переработки);
- предельное давление;
- сталь, из которой выполнен корпус (стандартные варианты выполняются из стали 16ГС-3, они эффективны при температурах до -30 °С, аппараты из стали 09Г2С более выносливы);
- теплоизоляция (при необходимости установки в холодных регионах).
Применение отстойников нефти ОГН-П
Условные обозначения горизонтального нефтяного отстойника с перегородками
Пример условного обозначения нефтяного отстойника с перегородками выглядит следующим образом.
ОГН-П–1–2–3–4, где:
- ОГН-П – отстойник нефти с перегородками горизонтальный;
- 1 – объем емкости в кубометрах (от 25 до 600 куб. м);
- 2 – давление, на которое рассчитан аппарат в МПа;
- 3 – материальное исполнение (доступно в нашем каталоге в одном из 3 вариантов);
- 4 – тип корпуса (теплоизолированный или стандартный).
Купить нефтяной отстойник с перегородками в Арсеньеве
Самый верный способ правильно подобрать горизонтальный отстойник нефти – обратиться за консультацией к профессионалам ООО "НПО "Спецнефтемаш". Наш завод занимается производством данного типа оборудования, специалисты с удовольствием помогут определиться. Все нефтяные отстойники с перегородками производства ООО "НПО "Спецнефтемаш" выполнены в соответствии с ГОСТ 15150.
Чтобы получить индивидуальное решение для своей площадки, свяжитесь с нами любым удобным способом. Заказы на производство принимаются по телефону 8–800–3021–565, электронной почте info@snmash.ru или онлайн через форму обратной связи на сайте. Мы осуществляем доставку аппаратов по России. Оперативное производство и оптимальные цены гарантируем.
